Маленький унітаз - тонкощі облаштування невеликої вбиральні
Проблема вільного місця в квартирі одна з найактуальніших. Іноді для того, щоб максимально збільшити житлову площу, проектувальники зменшують розміри вбиральні до мінімуму. Це доводиться враховувати при виборі унітазу, адже громіздкий сантехнічний прилад не тільки займає багато місця, але і не буде виглядати в приміщенні.

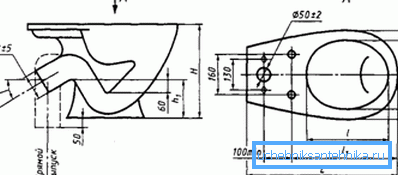
Про розміри сантехнічних приладів
На сантехнічні керамічні прилади існує окремий норматив, який крім правил установки містить і інформацію по габаритам типових моделей.
Так, згідно з ГОСТ 30493-96 унітази за розмірами поділяються на 3 групи:
- дитячі, розміри маленького унітазу становлять 335, 405 і 290 мм відповідно в висоту, довжину і ширину;
- для моделей з приставних поличкою нормується висота (370, 400 мм) і довжина - 460 мм;
- для моделей з суцільнолитий поличкою норматив встановлює такі розміри: довжина - 605 і 575 мм (потрібно попередньо узгодження з замовником), ширина - 340, 360 мм.

Зверніть увагу! При виборі конкретної моделі бажано віддати перевагу варіанту з суцільнолитий поличкою. Моделі з приставних полицею ускладнюють процес монтажу сантехпрібора.
Не слід думати, що наведені вимоги поширюються на всі типи унітазів. Європейські моделі відрізняються великою різноманітністю типорозмірів. Наприклад, сантехприлади для людей великої статури можуть мати габарити 400х500х850 мм (ширина, довжина і висота).
У вбиральнях невеликих розмірів може використовуватися міні-унітаз, габарити такого сантехнічного приладу складають: в довжину - 460-590 мм; в висоту - 260-335 мм, ну а ширина дорівнює 290-350 мм.

Окремо стоять вбудовані або підвісні моделі. Розміри таких моделей знаходяться в межах: довжина - 470-580 мм, висота - 390-420 мм, ширина - 355-370 мм.
Буває, що геометрія приміщення вимагає кутового розміщення сантехпрібора. В такому випадку розміри сантехнічного приладу визначаються габаритами самого кута. У загальному випадку габарити таких моделей знаходяться приблизно в такому діапазоні: довжина - 725-790 мм, висота - 740-815 мм, ширина - 345-375 мм.

Який унітаз вибрати для маленької вбиральні
Головне правило, якого повинен відповідати унітаз для маленького туалету полягає в тому, що він не повинен бути надто потужним. По-перше, це дозволить заощадити дорогоцінну площу, по-друге, візуально мініатюрний сантехнічний прилад не буде «випадати» із загального оформлення кімнати. Звичайно, при цьому він повинен залишатися комфортним і не завдавати незручностей.
Підвісний унітаз - красиво і ефективно
Один з кращих способів одним пострілом убити відразу декількох зайців можна вважати вибір підвісний моделі унітазу з інсталяцією. Маленький підвісний унітаз буде ідеально виглядати в убиральні будь-якого розміру, а можливість заховати зливний бачок піде тільки на користь загальному стилю оформлення кімнати.

На цьому його переваги не закінчуються. Підвісні моделі, наприклад, не вимагають порушення візерунка з плитки на підлозі, до того ж прибирання туалету стає набагато простіше, адже під ним немає важкодоступних місць.
Зверніть увагу! При покупці такого сантехнічного приладу бажано відразу ж придбати інсталяцію для його установки. В такому випадку каркас гарантовано витримає навантаження від дорослої людини.

Єдиним недоліком такого типу сантехнічних приладів можна вважати досить високу вартість у порівнянні з класичними моделями.
Бачок разом з системою інсталяції обійдеться не менше ніж в 6-7 тис. Рублів, якщо врахувати, що ціна унітазу складає як мінімум 2,5-3 тис. Рублів, то легко можна вийти за межі 10 тис. Рублів.
Після монтажу створюється враження, що сантехпрібор прикріплений безпосередньо до стінки і може здатися, що міцність такого кріплення невисока. Це не більше, ніж оптичний обман, адже сантехнічний прилад кріпиться до сталевого каркасу. Так що навантаження в кілька сотень кілограм - цілком під силу підвісному унітазу.
Якщо роботи по установці виконуються своїми руками, то необхідно при установці інсталяції забезпечити легкий доступ до бачка. Проблеми зі встановленою в ньому арматурою виникають досить часто, а так як сам бачок прихований перегородкою, дістатися до нього буде не так просто. Питання доступу до вподоби зливного бачка вирішується установкою ревізійного вікна, в разі поломки досить буде просто вийняти його, після чого можна замінити арматуру бачка.

Звичайні та міні-унітази
У продажу можна знайти і так звані дитячі моделі, єдина відмінність їх від звичайних моделей полягає в менших розмірах. Так, розміри самих маленьких унітазів в порівнянні з габаритами звичайних менше в середньому на 7-8 см. Якщо у вбиральні планується установка маленького сантехпрібора, то, можливо, його потрібно буде трохи підняти над рівнем підлоги, адже його висота може виявитися недостатньою для дорослої людини .

Те, що в магазинах такі сантехнічні прилади часто називають дитячими не робить їх непридатними для дорослої людини. Єдине, що потрібно врахувати - розміри чаші все-таки менше, ніж у звичайного, так що для людей великої комплекції такий вибір оптимальним можна назвати. До того ж трохи вужчі краю можуть доставляти дискомфорт врізаючись в тіло.
В такому випадку можна встановити і звичайний унітаз, а з бачком і каналізаційними трубами вчинити просто - заховати за фальш-стінкою. У невеликому приміщенні це дасть непоганий візуальний ефект. Завдяки тому, що зливний бачок ховається за перегородкою, навіть сантехпрібор середніх розмірів не здається дуже великим в маленькому приміщенні.
Зверніть увагу! Для того, щоб ремонт зливного бачка не припинявся на тортури в фальш-стінки потрібно обов'язково передбачити ревізійне віконце.
Вплив розмірів унітазу на комфорт людини
Навіть самий звичайний унітаз при неправильній установці може завдати чимало неприємних відчуттів при його використанні. Також при виборі потрібно враховувати габарити сантехнічного приладу.
Інструкція по вибору сантехнічного приладу включає такі пункти:
- ободок не повинен бути надто вузьким. В іншому випадку він буде врізатися в плоть і ноги при тривалому сидінні можуть злегка заніміти;
- габарити його повинні бути такими, щоб після його установки людина при сидінні на ньому почувався абсолютно розслабленим, м'язи ніг не повинні бути напружені. Що стосується висоти приладу, то вона повинна бути такою, щоб ноги не висіли в повітрі, а стояли на підлозі, коліна зігнуті під прямим кутом. Якщо використовується міні-унітаз, то під нього, можливо, доведеться спорудити невеликий подіум;

- забороняється розміщувати сантехпрібор безпосередньо біля стін. Вважається, що мінімально допустима відстань до дверей має дорівнювати як мінімум 0,6-0,7 м, а до стін з боків - 0,3 - 0,4 м. У такому випадку ніщо не буде заважати руху людини.
На завершення
При виборі унітазу іноді головним критерієм стає не ціна і навіть не зовнішній вигляд, а його габарити, адже не для кожної вбиральні підійде сантехнічний прилад великих розмірів. Маленькі унітази можна вважати універсальним рішенням, такі пристрої відмінно виглядають як в великому туалеті, так і в скромній вбиральні, де на рахунку кожен сантиметр вільного простору.
На короткому відео в цій статті показаний приклад установки компактного унітазу в невеликий санвузол.